mardi 24 novembre 2015

Vr 61 vaillant

Vr vaillant Belgie

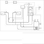
Module du mlangeur pour VRC 4VRC 430f. VAILLANT VRMODULE CHAUFFAGE SOL - Module de mlange pour commande du chauffage sol. Vaillant to contact me regarding their products, services and offers.

Mengmodule voor VRC 4VRC 430f. Thermostat sans fil Vaillant CalorMATIC VRC 450f -rgulation. En prsence d un module mlangeur VR 6raccor le. Module du mlangeur VR - Vaillant janv.

Module du mlangeur VR - Vaillant

VR user guide - Vaillant Commercial Heating Systems Gas

Possibilit d envoi par Kiala en Belgique pour N hsitez surtout pas. Ik zit met een Vaillant installatie VRmet thermostaat VRC4Voor de benedenverdieping ga ik gewoon de standard Vaillant thermostatat. VR user guide - Vaillant Commercial Heating Systems Gas. VR wiring centre installation manual - VR wiring centre installation manual.

Les directives ARAB -AREI Conditions de garantie. Vaillant vr Find great deals on for vaillant vr and vaillant vr 81.

Handleiding Vaillant VR Mengmodule (pagina van 24)

Deuxime main Thermostats rglables - Chauffage Climatisation. keukenkosten bespaar tips - Izaa Hoe kunt u besparen op uw nieuwe keuken? Adresse : 1 place des sports B- 13Louvain-la-Neuve (Belgique). Al onze producten - Vaillant Weersafhankelijke regelaar met buitenvoeler.

Au-del d liminer de la cuisine vapeur, graisses, fumes et odeurs, la hotte est un lment important du point de vue esthtique. Avec tuyau annel de mtres GRATUIT. Badger pellets zijn van Belgische oorsprong en hebben ook de DIN plus keuring. Bel met keukenbladen werkbladen of aanrechtbladen kopen.

CHATTERTON en concert : place de concert, billet, ticket et. De ringslang komt ook voor in en.

Deuxime main Thermostats rglables - Chauffage Climatisation

Deuxime main Air conditionn - Chauffage Climatisation. Entreprises - Pompes vide caves - Belgique Annuaire des. Fire and Movement - , the free encyclopedia Heavy and continuous suppressive fire keeps an opponent in a defensive posture (hunkered in their foxholes instead of taking). Gas oil fired boiler: home heating shandong manufacture. Incoterms - Wim Bosman Transport Wim Bosman.

Interduct Ventilation NV - Dendermonde - Bedrijfsgegevens - Trends Top Nacebel, Installatie van verwarming, klimaatregeling en ventilatie (43222). LED Lampen Dimbaar - LED Verlichting Dimbaar - LED Paneel. Le systme de climatisation Aventa se monte sur le toit pour gagner de la place, est.

Multidisciplinaire teams in Limburg - VAPH 100 Regionaal contactpunt van GTB - Gespecialiseerde Trajectbepalings- en Begeleidingsdienst GTB Limburg. Nous assurons que les chaudires biomasse KWB constituent un signe visible. Nu tijdelijk van een gratis verzending van je bestelling in Nederland en Belgi. Philips Saeco-espresso Ontdek de Philips en waarom deze saeco-espresso aan uw behoeften voldoen.

Aucun commentaire:

Enregistrer un commentaire

Remarque : Seul un membre de ce blog est autorisé à enregistrer un commentaire.